Rangkaian Register
REGISTER
Register adalah rangkaian logika yang digunakan untuk menyimpan data. Dengan kata lain, register adalah rangkaian yang tersusun dari satu atau beberapa flipflop yang digabungkan menjadi satu. Flipflop disebut juga sebagai register 1 bit. Jadi untuk menyimpan 4 bit data, register harus terdiri dari 4 buah flipflop.
Register digunakan sebagai Tempat menyimpan sementara sebuah grup bit data.
Bit-bit data ("1" atau "0") yang sedang berjalan di dalam sebuah sistem digital, kadang-kadang perlu dihentikan, di-copy, dipindahkan atau hanya digeser ke kiri atau kekanan satu atau lebih posisi.
Shift Register akan menerima maupun mengeluarkan data dengan cara pergeseran, yaitu menggeser satu bit data ke kiri atau ke kanan untuk setiap satu periode clock yang diberikan.
4 Macam Shift Register
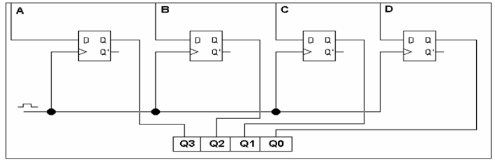
1. PIPO (Parallel In Parallel Out)
Perhatikan gambar berikut :
- A, B, C, dan D adalah sinyal masukan. Saat clock (pemicu) diaktifkan (Logika 1), maka data yang ada akan dikeluarkan secara bersama-sama ke Q3, Q2, Q1, dan Q0.
- Saat clock kembali tidak dipicu (Logika 0), maka apapun masukannya, keluaran Q akan tetap.
2. PISO (Parallel In – Serial Out)
Gambar 6.1 menjelaskan sebagai berikut :
- Sebuah grup terdiri dari 4 buah D Flip-flop.Langkah pertama adalah membebani register di atas dengan 1-0-0-0. “Paralel Load” berarti membebani ke-empat flip-flop dalam waktu yang bersamaan. Pembebanan diberikan melalui input SD pada masing-masing flip-flop.
- Selanjutnya, clock pertama meyebabkan seluruh bit menggeser satu posisi ke kanan, karena input dari masing-masing flip-flop mendapatkan output dari flip-flop sebelumnya.
- Setiap penekanan clock menyebabkan penggeseran satu posisi ke kanan. Pada pulsa ke empat, seluruh bit sudah tergeser ke peralatan penerima data serial, sesuai dengan data awal yang diberikan. Koneksi antara ke-empat flip-flop di atas bisa berupa kabel transmisi serial (serial data, clock dan ground).
2. Disimpan secara seri (Serial In) :
- Pada cara ini, data dimasukkan bit demi bit mulai dari flipflop yang paling ujung (dapat dari kiri atau dari kanan), dan digeser sampai semuanya terisi.
- Bila data digeser dari kanan kekiri disebut “Register geser kiri” (Shift Left Register), sebaliknya bila data digeser dari kiri kekanan disebut “Register geser kanan” (Shift Right Register).
- Seperti pada penyimpanan data, untuk mengeluarkan data juga dapat dilakukan dengan dua cara :
1. Dikeluarkan secara sejajar (Parallel Out)
2. Dikeluarkan secara seri (Serial Out)
3. SISO (Serial In Serial Out)
Perhatikan Gambar berikut :
- Saat sinyal clock diberikan pertama kali, data dari Si masuk ke flipflop A, pada saat clock kedua, data dari flipflop A masuk ke flipflop B, demikian seterusnya, sampai keluar ke So.
- Jadi pada register SISO untuk membaca data pertama kali dibutuhkan jumlah clock yang sama banyak dengan jumlah flipflop yang ada pada register (dalam hal ini adalah empat).
4. SIPO (Serial In Parallel Out)










Komentar
Posting Komentar