Rangkuman Rangkaian Counter
Counter ( rangkaian logika sekuensial yang di bentuk dari flip-flop )
Mencacah dapat diartikan menghitung, hampir semua sistem logika menerapkan pencacah. Komputer digit menerapkan pencacah guna mengemudikan urutan dan pelaksanaan langkah – langkah dalam program. Fungsi dasar pencacah adalah untuk “mengingat” berapa banyak pulsa detak yang telah dimasukkan kepada masukkan; sehingga pengertian paling dasar pencacah adalah sistem memori.
Karakteristik Penting Counter/Pencacah
- Sampai berapa banyak ia dapat mencacah (modulo pencacah)
- Mencacah maju, ataukah mencacah mundur
- Kerjanya sinkron atau tak sinkron
Kegunaan Counter/Pencacah
- Menghitung banyaknya detak pulsa dalam satu periode waktu
- Membagi frekuensi
- Pengurutan alamat
- Beberapa rangkaian aritmatika
Jenis Counter/Pencacah
Pencacah Asinkron
• Seringkali disebut ripple counter.
• Istilah asinkron merujuk pada kejadian-kejadian yang tidak mempunyai hubungan waktu yang tetap antara FF satu dengan FF lainnya.
• Flip-flop tidak mendapatkan pulsa clock dari satu sumber yang sama.
• Flip-flop pertama (LSB) mendapatkan pulsa clock dari sumber clock eksternal, sedangkan flip-flop berikutnya mendapatkan pulsa clock dari output flip-flop sebelumnya.
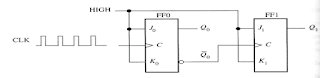
Pencacah Asinkron Biner 2-bit (1)
• Dibangun dari dua buah flip-flop JK.
• Flip-flop pertama mendapatkan pulsa clock dari sumber clock, sedangkan flip-flop kedua mendapatkan pulsa clock dari output FF pertama. fQ0=fCLK/2; fQ1=fQ0/2.
• Diagram logika pencacah asinkron biner 2-bit.
Pencacah Asinkron Biner 2-bit (2)

Diagram pewaktuan counter asinkron biner 2-bit
Tabel urutan keadaan pencacah
Pencacah asinkron biner 3-bit (1)
- Dibangun dari 3 buah flip-flop JK.
- Flip-flop pertama mendapatkan pulsa clock dari sumber clock, FF kedua mendapatkan pulsa clock dari output FF pertama dan FF ketiga mendapatkan pulsa clock dari output FF kedua.
- fQ0=fCLK/2; fQ1=fQ0/2; fQ2=fQ1/2
Pencacah asinkron biner 3-bit (2)
Diagram logika dan diagram pewaktuan pencacah asinkron biner 3-bit
Pencacah asinkron biner 3-bit (3)
Tabel urutan biner dari pencacah
COUNTER TYPES
Asynchr.k.a. Ripple or Serial Counter):each FF is triggered one at a time with onous Counter (aoutput of one FF serving as clock input of next FF in the chain.
Synchronous Counter (a.k.a. Parallel Counter): all the FF’s in the counter are clocked at the same time.
Up Counter: counter counts from zero to a maximum count.
Down Counter: counter counts from a maximum count down to zero.
BCD Counter: counter counts from 0000 to 1001 before it recycles.
Ring Counter: shift register in which the output of the last FF is connected back to the input of the first FF.
Pre-settable Counter: counter that can be preset to any starting count either synchronously or asynchronously
Johnson Counter: shift register in which the inverted output of the last FF is connected to the input of the first FF






Komentar
Posting Komentar